Sign In | Join Free | My ledscreensign.com
China Anterwell Technology Ltd. logo
Anterwell Technology Ltd.
Anterwell Technology Ltd. Large Original stock of IC Electronics Components, Transistors, Diodes etc. High Quality, Reasonable Price, Fast Delivery.
Site Member

10 Years

Home > Power Mosfet Transistor >

STRW6753 Integrated Circuit Chip Universal-Input/58 W Off-Line Quasi-Resonant Flyback Switching Regulator

Anterwell Technology Ltd.
Contact Now

STRW6753 Integrated Circuit Chip Universal-Input/58 W Off-Line Quasi-Resonant Flyback Switching Regulator

Brand Name : Anterwell

Model Number : STRW6753

Certification : new & original

Place of Origin : original factory

MOQ : 10pcs

Price : Negotiate

Payment Terms : T/T, Western Union, Paypal

Supply Ability : 8500pcs

Delivery Time : 1 day

Packaging Details : Please contact me for details

Control Supply Voltage : 35 V

Drain-Source Voltage : 650 V

Peak Drain Switching Current : 11.2 A

Single-Pulse Avalanche Energy : 145 mJ

Operating Temperature Range : -20°C to +115°C

Storage Temperature Range : -40°C to +125°C

Contact Now

Switching Regulators STR-W6753

Universal-Input/58 W Off-Line QuasiResonant Flyback Switching Regulator

The STR-W6753 is a quasi-resonant regulator specifically designed to satisfy the requirements for increased integration and reliability in switch-mode power supplies. It incorporates a primary control and drive circuit with an avalanche-rated power MOSFET. The regulator exhibits only low-level high-frequency EMI noise because of soft switching of the MOSFET close to ground (bottom point). A bottom-skip function minimizes an increase of operational frequency during light loads to improve system efficiency over the entire load range.

Covering the power range from below 120 watts for a 230 VAC input, or 58 watts for a universal input (85 to 264 VAC), this device can be used in a range of applications, from DVD and VCR players to ac adapters for cellular phones and digital cameras. An auto-standby function, which is internally triggered by sensing on time, reduces power consumption at light load. An externally triggered standby mode reduces the input power further. Multiple protections, including the avalanche-energy-guaranteed MOSFET, provide high reliability of system design. Devices with an increased output power rating are the STR-W6754 and STR-W6756.

Cycle-by-cycle current limiting, undervoltage lockout with hysteresis, and overvoltage protection protect the power supply during the normal overload and fault conditions. Overvoltage protection is latched after a short delay. The latch may be reset by cycling the input supply. Low start-up current and a low-power standby mode selected from the secondary circuit completes a comprehensive suite of features. The STR-W6753 is provided in a fully molded TO-220-style flangemounted, high power, isolated plastic package.

FEATURES AND BENEFITS

■ Rugged 650 V Avalanche-Rated MOSFET Simplified Surge Absorption No VDSS Derating Required

■ 1.7 Ω Maximum rDS(on)

■ Two Operational Modes by Automatic Switching: Quasi-Resonant Mode for Normal Operation Burst Mode for Standby Operation or Light Loads

■ Automatic or Manually Triggered Burst Standby Input Power <0.1 W at No Load

■ Low Operating Current (6 mA typ)

■ Auto-Bias Function Stable Burst Operation Without Generating Interference

■ Internal Off-Timer Circuit

■ Built-In Constant-Voltage Drive

■ Multiple Protections: Pulse-by-Pulse Overcurrent Protection Overload Protection with Auto Recovery Latching Overvoltage Protection Undervoltage Lockout with Hysteresis

■ RoHS Compliant

ABSOLUTE MAXIMUM RATINGS at TA = +25°C STRW6753 Integrated Circuit Chip Universal-Input/58 W Off-Line Quasi-Resonant Flyback Switching Regulator

Control Supply Voltage, VCC . . . . 35 V

Drain-Source Voltage, VDSS . . . . . . 650 V

Drain Switching Current, ID . . . 11.2 A*

Peak Drain Switching Current,

IDM . . . . . . . . . . . . . . . . . . . . . 11.2 A

Single-Pulse Avalanche Energy,

EAS . . . . . . . . . . . . . . . . . . . 145 mJ

OCP/BD Voltage Range,

VOCP . . . . . . . . . . . . –1.5 V to +5 V

FB Input Current, IFB . . . . . . . . 10 mA

FB Voltage Range, VFP –0.5 V to +9 V

Package Power Dissipation, PD

control (VCC × ICC(ON)) . . . . . . 0.8 W

MOSFET (VDSS × ID). . . See Graph

MOSFET Channel Temp., TJ . +150°C

Internal Frame Temp., TF . . . . +115°C

Operating Temperature Range,

TA . . . . . . . . . . . -20°C to +115°C†

Storage Temperature Range,

TS . . . . . . . . . . . . -40°C to +125°C

* Drain switching current is limited by temperature and safe operating area.

†For the availability of parts meeting -40°C requirements, contact Allegro’s Sales Representative.

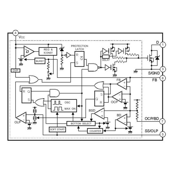
FUNCTIONAL BLOCK DIAGRAM

STRW6753 Integrated Circuit Chip Universal-Input/58 W Off-Line Quasi-Resonant Flyback Switching Regulator

PACKAGE DIMENSIONS in Millimeters

STRW6753 Integrated Circuit Chip Universal-Input/58 W Off-Line Quasi-Resonant Flyback Switching Regulator

Product weight: approx. 2.3 g.

Recommended mounting hardware torque: 0.588 ~ 0.785 Nm, 6 ~ 8 kgf × cm.

Recommended silicon grease: Dow Corning SC102, Toshiba YG6260, Shin-Etsu G746, or equivalent.

Stock Offer (Hot Sell)

Part NO. Q'ty MFG D/C Package
MAX1909ETI+T 7300 MAXIM 10+ QFN
NAND02GR3B2DZA6E 5520 ST 10+ BGA
MC145028P 5522 ON 14+ DIP
LT3021ES8#PBF 5448 LT 14+ SOP-8
MAX15005BAUE+T 5700 MAXIM 14+ TSSOP
MC100LVEP111FAG 2326 ON 15+ QFP
LT3070EUFD#PBF 5630 LT 14+ QFN
OPA134PA 6440 BB 13+ DIP
MC33269DTRK-3.3 30000 ON 16+ TO-252
88E1111-BAB1I 800 MARVELL 16+ BGA
MC14001BDR2G 38000 ON 14+ SOP
OPA4227PA 7720 TI 11+ DIP
MAX9626ATC+ 2634 MAXIM 16+ TQFN
BSM300GB120DLC 223 EUPEC 13+ MODULE
NSI45030AT1G 10000 ON 14+ SOD-123
LM78M05CDT 30000 NSC 15+ TO-252
XPT6871 3000 XPT 15+ SOP-8
M29W256GL-70N6 3789 MICRON 14+ TSSOP
LMV324MX 5291 NSC 15+ SOP-14
LM3526MX-L 2580 NSC 14+ SOP-8
MC9S08QD4CSC 4648 FREESCALE 16+ SOP


Product Tags:

power mosfet ic

      

silicon power transistors

      
Quality STRW6753 Integrated Circuit Chip Universal-Input/58 W Off-Line Quasi-Resonant Flyback Switching Regulator for sale

STRW6753 Integrated Circuit Chip Universal-Input/58 W Off-Line Quasi-Resonant Flyback Switching Regulator Images

Inquiry Cart 0
Send your message to this supplier
 
*From:
*To: Anterwell Technology Ltd.
*Subject:
*Message:
Characters Remaining: (0/3000)